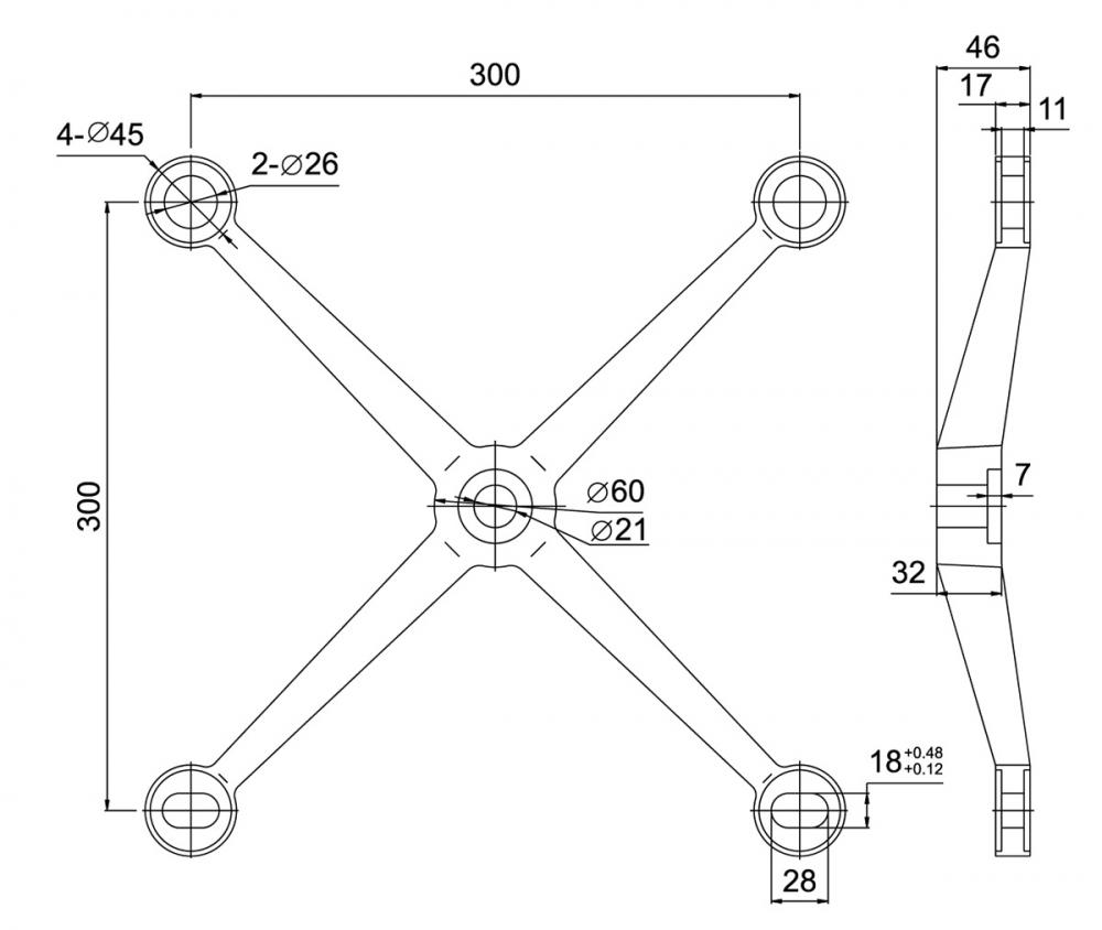
HH-3004駁接爪
駁接爪
HH-3004駁接爪
18373196695
在線谘詢
上一個產品 : HHW-2001-180駁接爪 下(xià)一(yī)個產品 : HH-3003駁(bó)接爪

    Warning: Invalid argument supplied for foreach() in D:\wwwroot\bingjilinji.com.cn\productsdetail.php on line 145
產品詳情

HH-3004接駁爪

采購:HH-3004駁接爪

具(jù)體內容:

姓名昵稱:

電(diàn)子郵件:

手機號碼:

 网站地图 9I免费看片_9i制作厂电影_9I看片成人免费_9I破解版免费版安装在线