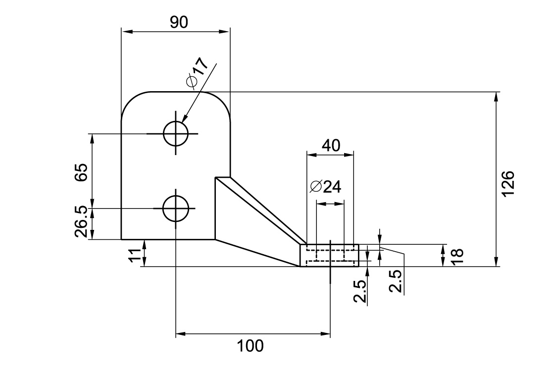
HH-200R駁接爪
駁(bó)接爪
HH-200R駁接爪
18373196695
在線谘詢
上一個產品 : HH-3001-150駁接(jiē)爪 下(xià)一個產品 : HH-200L駁接爪

    Warning: Invalid argument supplied for foreach() in D:\wwwroot\bingjilinji.com.cn\productsdetail.php on line 145
產品詳情

HH-200R接駁爪

采購(gòu):HH-200R駁接爪

具體內容:

姓名昵稱(chēng):

電(diàn)子郵件:

手機號碼:

 网站地图 9I免费看片_9i制作厂电影_9I看片成人免费_9I破解版免费版安装在线